Beiträge von funkenwerner
VPN/Proxy erkannt
Es scheint, dass Sie einen VPN- oder Proxy-Dienst verwenden. Bitte beachten Sie, dass die Nutzung eines solchen Dienstes die Funktionalität dieser Webseite einschränken kann.
-
-
Und "Der seitliche Schalter steht auf 4-Leiter mit Anschluss für Bodenbeleuchtung".
dann stimmt deine Zeichnung nicht, die schaltet gegen N, du musst aber gegen L schalten ; )
Edit: ja jetzt passt das neue Bild
gegen L geschaltet, und AutoOff im Shelly dann eh klar
-
dein Problem ist der Zusätzliche Schalter, wenn dieser EIN ist dann ist dies das übliche Problem wie bei Kontrollleuchten, das mag der Shelly am SW nicht, siehe div Beiträge im Forum.
Mögliche Abhilfe wäre hier am Einfachsten keinen Schaltkontakt zu SW.
dafür mit einem Schalter L direkt zur Lampe Brücken
und deine WAF sollte Glücklich sein.
man muss dann halt nur wissen in welcher Stellung der Schalter dann HAND/DAUER ist und wo dann Automatik
-
was schaltet der Schalter genau? und bist du sicher am letzten Schalter vor der Leuchte ( Dein LED)? Schaltpläne findest im Lexikon.
und bitte mal Skizze und Fotos
-
vom Prinzip her ja, aber du hast über N getastet?
ansonsten ist nurmehr 4Leiter Zulässig
du hast seitlich eine Art Schraube, zeigt die auf 3 oder 4 ?
-
das ist klar, ab 100,-€ musst rechen
-
Schaltpläne im Lexikon kennst schon oder?
-
du brauchst Dauer L und N, also kommst kaum drum rum was zu öffnen
-
du sollst das Relais ja nicht Vorkaufen, sag ihm einfach das er diese Type oder ähnliches Mitbringen soll, dann sind alle Glücklich
und ob da 1 oder 2 adern abgehen hat was damit zu tun das sich jemand eine Klemmstelle gespart hat
2 Adern pro Klemme sind Zulässig in der EU
-
wenn typisch Deutsch mit Kabel Unterputz kannst eh nix Nachziehen, und über die Zugänglichkeit solltest Nachdenken!
-
bitte ordentlich zeichnen oder gleich Fachmann holen
und verputzte Dosen kann man finden und öffnen, Klemmstellen müssen Zugänglich sein (Deckel)
-
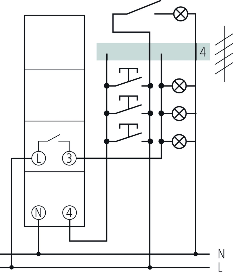
aber was hier bei 3 und 4 angeschlossen wurde, blick ich nicht durch:
du hast Seitlich einen Schaltplan drauf
4 ist die Tasterlinie
https://www.theben.de/ocsmedia/optim…_4eps_nnCE.webp
dein Elektirker wird wissen was ich meine
-
ein Stromstossrelais ist was ganz anderes und wäre hier nicht passend.
du brauchst ein Hilfsrelais das ausser Schlieser nix können muss zB https://www.hager.at/produktkatalog…c125/204842.htm diese wird von Shelly gesteuert, der Schlieser macht dann dein Taster
-
Erste Hilfe Koffer abgearbeitet? ( Link siehst in meiner SIG)
dazu fehlen sämtliche Angaben:
welches Handy?
welcher Router?
Mesh (welche?) oder nur Router?
auf welchen Server bist du? ( Link auch in meiner SIG)
.
-
das ist eine klassiche 4 Leiter Schaltung, alles Easy, am bzw bei Taster kannst nix machen wenn du keine Dauerspannung hast, alternative kannst nur entweder Elpa 8 durch Shelly ersetzen und Kontrolleuchten müssen weg, oder Shelly neben Elpa 8 dazu bauen und mit I O einen zusätzlichen Taster Simulieren, wenn du die Kontrollleuchten erhalten willst muss da noch ein Relais dazwischen, also Shelly steuert Relai, Relais schaltet Tastereingang beim ELpa 8 und alles kann bleiben wie es ist, AutoOff auf 2Sec ca stellen im Shelly und fertig.
aber wenn es gemeinschaftlich ist, auf welches Wlan wollt ihr es schalten? was passiert wenn derjenige Auszieht?
-
was mir noch fehlt, im Router und Mesh mal fixen WlanKanal einstellen, einen Ruhigen der nicht von Nachbarn verseucht ist, bei Android mit dieser App mal schaun und dann am Router einstellen https://play.google.com/store/apps/det…c.wifi.analyzer
-
Juristisch betrachtet könnte dein Foto hier schon reichen, aber ok ich hab nix gesagt
-
die losen Enden vom UNI würde ich noch mit Schrumpfschlauch schützen.
mit dem Schriftzug wäre ich Vorsichtig, Markenrechte etc
-
nein, sowas hat ja kaum eine App, ist doch eh sehr Intuitiv gemacht, wenns dir in App schwer fallt dann mach es am PC https://control.shelly.cloud/
-
bwink68 sind die mit oder ohne USB die Offline scheinen?
zu dem Fehlen weitere Info wie weiter oben bereits gefragt