1. Dashboard
  2. Forum
    1. Unresolved Threads
  3. Lexicon
    1. Last Changes
  4. Wiring Diagrams
    1. Usage Information
  • Login
  • Register
  • Search
Lexicon
  • Everywhere
  • Articles
  • Pages
  • Forum
  • Lexicon
  • More Options
  1. Shelly Forum
  2. Lexicon

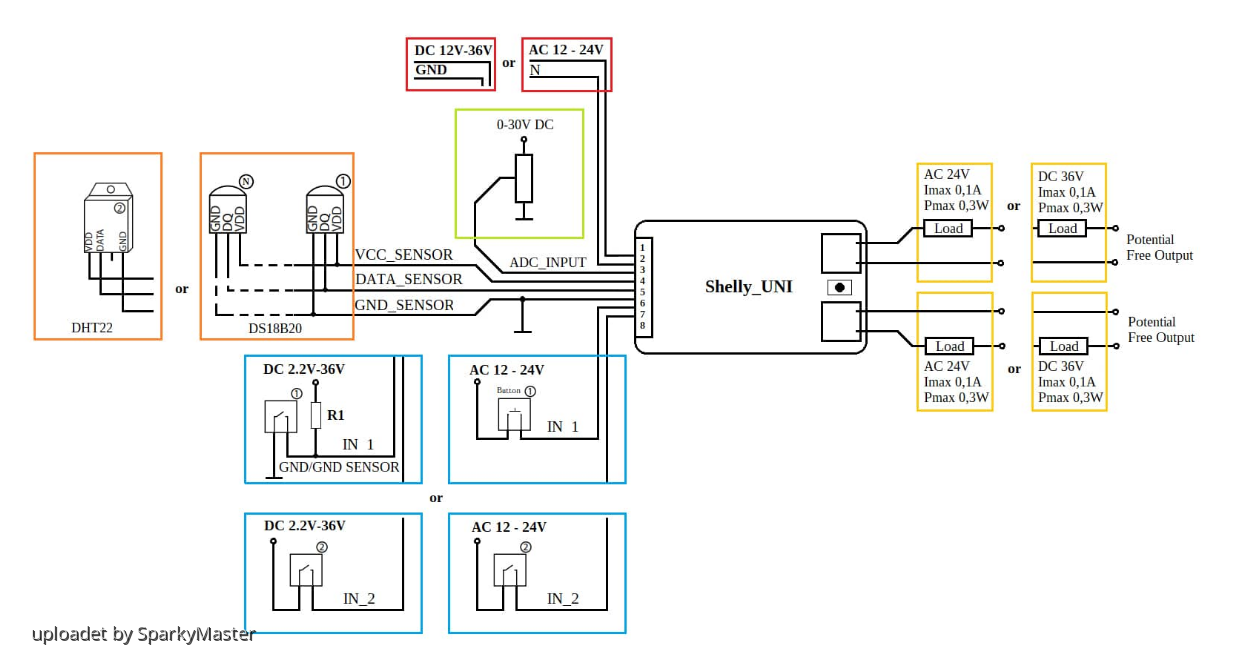
connection diagrams Shelly UNI

  • SparkyMaster
  • September 21, 2020 at 10:06 AM
  • March 17, 2022 at 10:30 AM
  • 3,560 times viewed
  • connection diagrams


Share

  • Previous entry Condition type scene
  • Next entry Device Sharing
  • PDF

Categories

  1. SHELLY GEN1 209
    1. Shelly 1 83
    2. Shelly 1L 58
    3. Shelly 1PM 84
    4. Shelly 2 85
    5. Shelly 2 LED 57
    6. Shelly 2.5 90
    7. Shelly 3EM 68
    8. Shelly 4Pro 68
    9. Shelly Air 17
    10. Shelly Button 1 62
    11. Shelly Bulb 61
    12. Shelly Dimmer 69
    13. Shelly Dimmer2 65
    14. Shelly Door/Window 64
    15. Shelly Door/Window2 61
    16. Shelly Duo GU10 59
    17. Shelly Duo 59
    18. Shelly DUO RGBW 57
    19. Shelly DUO RGBW GU10 57
    20. Shelly EM 71
    21. Shelly Flood 62
    22. Shelly GAS 58
    23. Shelly H&T 69
    24. Shelly i3 60
    25. Shelly Motion 58
    26. Shelly Motion 2 10
    27. Shelly Plug 65
    28. Shelly Plug S 70
    29. Shelly Plug US 11
    30. Shelly RGBW2 78
    31. Shelly Sense 51
    32. Shelly Smoke 61
    33. Shelly TRV 22
    34. Shelly UNI 63
    35. Shelly UV-C-LED-Strip 47
    36. Shelly Vintage 59
  2. SHELLY GEN2 54
    1. Shelly PLUS 1 32
    2. Shelly PLUS 0-10V Dimmer 18
    3. Shelly PLUS 1 Mini 22
    4. Shelly PLUS 1PM 31
    5. Shelly PLUS 1PM Mini 21
    6. Shelly PLUS 2PM 26
    7. Shelly PLUS i4 / i4 DC 24
    8. Shelly PLUS H&T 17
    9. Shelly PLUS Plug S 15
    10. Shelly PLUS PM Mini 19
    11. Shelly PLUS RGBW PM 14
    12. Shelly PLUS Smoke 14
    13. Shelly PLUS UNI 14
  3. SHELLY GEN3 50
    1. Shelly 1 Mini Gen3 17
    2. Shelly 1 Gen3 16
    3. Shelly 1L/2L Gen3 16
    4. Shelly 1PM Mini Gen3 16
    5. Shelly 1PM Gen3 16
    6. Shelly 2PM Gen3 16
    7. Shelly 3EM-63T / 3EM-63W Gen3 12
    8. Shelly DALI Dimmer Gen3 12
    9. Shelly Dimmer Gen3 16
    10. Shelly Dimmer 0/1-10V PM Gen3 13
    11. Shelly Duo Bulb E27 Gen3 0
    12. Shelly EM Gen3 11
    13. Shelly H&T Gen3 12
    14. Shelly i4 Gen3 13
    15. Shelly Multicolor Bulb E27 Gen3 0
    16. Shelly Outdoor Plug S Gen3 12
    17. Shelly Plug M Gen3 11
    18. Shelly Plug PM Gen3 9
    19. Shelly Plug S Gen3 12
    20. Shelly PM Mini Gen3 12
    21. Shelly Shutter 12
    22. The Pill by Shelly 16
  4. SHELLY GEN4 28
    1. Shelly 1 Gen4 16
    2. Shelly 1 Mini Gen4 17
    3. Shelly 1L Gen4 0
    4. Shelly 1PM Gen4 16
    5. Shelly 1PM Mini Gen4 16
    6. Shelly 2L Gen4 0
    7. Shelly 2PM Gen4 15
    8. Shelly Dimmer Gen4 13
    9. Shelly EM Mini Gen4 11
    10. Shelly Flood Gen4 13
    11. Shelly FloodS Gen4 1
    12. Shelly i4 Gen4 0
    13. Shelly i4 DC Gen4 0
    14. Shelly Presence Gen4 0
    15. Shelly PlugC Gen4 0
    16. Shelly PlugC PM Gen4 0
    17. Shelly Power Strip 4 Gen4 11
  5. SHELLY PRO 97
    1. Shelly PRO 1 31
    2. Shelly PRO 1PM 31
    3. Shelly PRO 2 31
    4. Shelly PRO 2PM 31
    5. Shelly PRO 3 27
    6. Shelly PRO 3EM 24
    7. Shelly PRO EM-50 19
    8. Shelly Pro 3EM-3CT63 16
    9. Shelly Pro 3EM-400 21
    10. Shelly PRO 4PM 67
    11. Shelly PRO CB 1
    12. Shelly Pro Dimmer 0/1-10V PM 14
    13. Shelly Pro Dimmer 1PM / 2PM 17
    14. Shelly Pro Dual Cover/Shutter PM 19
    15. Shelly Pro RGBWW PM 15
  6. SHELLY PRO GEN4 1
    1. Shelly PRO 1PM 40A Gen4 1
  7. SHELLY BLU 33
    1. Shelly BLU Button1 6
    2. Shelly BLU Button Tough 1 6
    3. Shelly BLU Distance 5
    4. Shelly BLU Door Window 8
    5. Shelly BLU Gateway 4
    6. Shelly BLU Gateway Gen3 6
    7. Shelly BLU H&T 8
    8. Shelly BLU H&T Display ZB 5
    9. Shelly BLU MCB ZB 1
    10. Shelly BLU Motion 8
    11. Shelly BLU RC Button 4 6
    12. Shelly BLU Remote Control ZB 6
    13. Shelly BLU TRV 15
    14. Shelly BLU Wall Switch 4 6
  8. Shelly CONTROL PANELS 20
    1. Shelly Wall Display 15
    2. Shelly Wall Display X2 9
    3. Shelly Wall Display X2i 10
    4. Shelly Wall Display XL 10
  9. Shelly QUBINO WAVE 27
    1. Shelly Wave 1 4
    2. Shelly Wave 1 Mini 3
    3. Shelly Wave 1PM 4
    4. Shelly Wave 2PM 3
    5. Shelly Wave 1PM Mini 3
    6. Shelly Wave Dimmer 3
    7. Shelly Wave Door/Window 3
    8. Shelly Shelly H&T 3
    9. Shelly Wave i4 / i4 DC 4
    10. Shelly Wave MCB 1
    11. Shelly Wave Motion 3
    12. Shelly Wave Plug S 3
    13. Shelly Wave PM Mini 3
    14. Shelly Wave Shutter 3
    15. Shelly Wave Pro 1 4
    16. Shelly Wave Pro 1PM 4
    17. Shelly Wave Pro 2 4
    18. Shelly Wave Pro 2PM 4
    19. Shelly Wave Pro 3 4
    20. Shelly Wave Pro Dimmer 1PM / 2PM 5
    21. Shelly Wave Pro Shutter 4
  10. Shelly X 6
    1. Shelly-X-MOD1(U)-H8 1
    2. Shelly X MOD1 – DevKit DB2024R-XSM 1
    3. Shelly X MOD1 – DevKit DB2024T-XSM 1
    4. POWERED BY SHELLY Geräte 16
      1. FrankEver Smart water valve DN20 3
      2. Ecowitt WS90 - 7-in-1 weather station 3
      3. FrankEver Sprinkler Controller FK-06X 3
      4. LightSolutions Hilux DS8 White 3
      5. LinkedGo Smart floor heating thermostat 3
      6. LinkedGo Smart HVAC thermostat 3
      7. Neo Smart Water Valve NAS-WV02W 3
      8. Ogemray Smart relay 25A 5
      9. TopAC Portable EV charger 11kW EVE01-11R 3
  11. SHELLY ACCESSORIES 66
    1. Shelly 1/1PM Temp Add-On 46
    2. Shelly 1-Channel / 4-Channel Decoupler 230V 1
    3. Shelly Button 38
    4. Shelly PLUS Add-On 8
    5. Shelly Button Add-on 1
    6. Shelly LoRa Add-On 2
    7. Shelly LAN Switch 0
    8. Shelly GAS Add-On Manipulator 21
    9. Shelly PRO 3EM Switch Add-On 4
    10. Shelly Wall Switch 2
    11. Shelly Eye 18
  12. Cury by Shelly 3
    1. Cury by Shelly - Smart-Diffusor 3
  13. LOQED 3
    1. LOQED Touch Smart Lock 3
  14. APP, WEBUI, REST-API, MQTT & CO. 48
    1. SHELLY Cloud App Android/IOS 25
    2. MQTT 8
    3. Rest Api 13
    4. CoAP/ColoT 7
  15. SPRACHASSISTENTEN 2
    1. Alexa 1
    2. Google 1
    3. Siri 0
  16. ALTERNATIVE FIRMWARE 1
    1. Tasmota 1
  17. SONSTIGES 32
    1. Einbau 12
    2. Betrieb in Deutschland 3
    3. Bestellung Lieferung 3
    4. Video Tutorials 4

INFORMATION

  1. Privacy Policy
  2. Cookie Policy
  3. Terms Of Use
  4. Legal Notice

Footer Links

  1. Forum
  2. Lexicon
  3. Community Guidelines
  4. Status
Lexicon, developed by www.viecode.com
Powered by WoltLab Suite™